軍D屏蔽效能電源濾波器的安裝注意事項
一:GJB5792-2006《軍用涉密電磁屏蔽體等級和測量方法》劃分了D級電磁屏蔽體的屏蔽效能指標如下:

二:濾波器的定義、原理及漏電流產生的原因
1. 定義:低通濾波(Low-pass filter) 是一種過濾方式,規則為50HZ的工頻信號電流通過,而超過設定臨界值的高頻信號則被阻隔、減弱,如上圖。
2. 原理:由電感和電容組成的復式濾波電路所構成,其中簡單的濾波電路如下:

臨界頻率計算公式:

3. 漏電流產生的原因:是相線和中線與地線(濾波器外殼)間流過的電流。它主要取決于接地電容(Cy1、Cy2、Cy3、Cy4)的取值。較大的共模電容C可以提高插入損耗,有更好的共模濾波效果,但卻造成較大的漏電電流。只要濾波器通電就會產生漏電流。為了達到標稱的軍D級屏蔽技術指標,濾波器的漏電流約150mA。
漏電流計算公式:I =2π*f*V*Cy
其中
f— 測試電壓頻率 ( 50Hz or 60Hz )
V— 測試電壓 ( unit : volt )
Cy—跨接于一次側與地或一,二次側之間的Y電容總和.
Cy =Cy1+Cy2+Cy3+…
三:漏電保護器的工作原理
當漏電保護器正常工作時,火線零線通過零序電流互感器后再接入開關,經漏電保護器的開關接入電器,電路的電流矢量之和等于零,故其二次繞組中無感應電動勢產生,漏電保護器工作于閉合狀態。當被保護的電路出現觸電事故或漏電故障時,負載側有對地泄載電流,即零序電流互感器的矢量和不為零,而等于某一泄漏電流值Is。Is會通過人體、大地、變壓器中性點形成回路,當Is達到一定值,大于漏電保護器的動作電流時、零序電流互感器二次繞組中便產生互感電壓,該信號經過運算控制器運算后,當達到整定動作值時,驅動晶閘管,接通電磁脫扣器電源,電磁脫扣器吸合,使斷路器跳閘,分斷主電路,從而達到漏電保護的作用。
正常帶漏電保護的空開的漏電流檢測閾值是30mA,漏電流超過30mA就會跳閘。
綜上所述:軍D屏蔽效能電源濾波器安裝時
1. 機房回路中嚴禁安裝漏電保護器;
2. 保證濾波器地線及金屬殼體安全接地。
軍D屏蔽效能電源濾波器的安裝注意事項
一:GJB5792-2006《軍用涉密電磁屏蔽體等級和測量方法》劃分了D級電磁屏蔽體的屏蔽效能指標如下:

二:濾波器的定義、原理及漏電流產生的原因
1. 定義:低通濾波(Low-pass filter) 是一種過濾方式,規則為50HZ的工頻信號電流通過,而超過設定臨界值的高頻信號則被阻隔、減弱,如上圖。
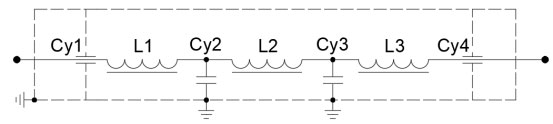
2. 原理:由電感和電容組成的復式濾波電路所構成,其中簡單的濾波電路如下:

臨界頻率計算公式:

3. 漏電流產生的原因:是相線和中線與地線(濾波器外殼)間流過的電流。它主要取決于接地電容(Cy1、Cy2、Cy3、Cy4)的取值。較大的共模電容C可以提高插入損耗,有更好的共模濾波效果,但卻造成較大的漏電電流。只要濾波器通電就會產生漏電流。為了達到標稱的軍D級屏蔽技術指標,濾波器的漏電流約150mA。
漏電流計算公式:I =2π*f*V*Cy
其中
f— 測試電壓頻率 ( 50Hz or 60Hz )
V— 測試電壓 ( unit : volt )
Cy—跨接于一次側與地或一,二次側之間的Y電容總和.
Cy =Cy1+Cy2+Cy3+…
三:漏電保護器的工作原理
當漏電保護器正常工作時,火線零線通過零序電流互感器后再接入開關,經漏電保護器的開關接入電器,電路的電流矢量之和等于零,故其二次繞組中無感應電動勢產生,漏電保護器工作于閉合狀態。當被保護的電路出現觸電事故或漏電故障時,負載側有對地泄載電流,即零序電流互感器的矢量和不為零,而等于某一泄漏電流值Is。Is會通過人體、大地、變壓器中性點形成回路,當Is達到一定值,大于漏電保護器的動作電流時、零序電流互感器二次繞組中便產生互感電壓,該信號經過運算控制器運算后,當達到整定動作值時,驅動晶閘管,接通電磁脫扣器電源,電磁脫扣器吸合,使斷路器跳閘,分斷主電路,從而達到漏電保護的作用。
正常帶漏電保護的空開的漏電流檢測閾值是30mA,漏電流超過30mA就會跳閘。
綜上所述:軍D屏蔽效能電源濾波器安裝時
1. 機房回路中嚴禁安裝漏電保護器;
2. 保證濾波器地線及金屬殼體安全接地。